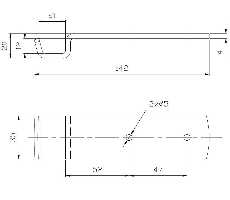
Piekabes apmales stiprinājuma skava Steelpress Z-01A
€309bez PVN 2.55 €
Preču cena norādīta ar iekļautu PVN 21%.
Norādītā cena ir spēkā, pasūtot preci 24.10.2025.
Norādītā cena ir spēkā, pasūtot preci 24.10.2025.
Piekabes apmales stiprinājuma āķis Z-01A Steelpress. Augstas kvalitātes oglekļa tērauds , no kura tas ir izgatavots, nodrošina izturību un izturību. Turklāt, lai aizsargātu produktu no korozijas, tas tika cinkots .
Tehniskie dati:
- Garums: 142 mm
- Attālums starp caurumiem: 47 mm
- Cauruma diametrs: 5 mm
- Spēks: 690 kg












